
燃煤鍋爐
SZL系列燃煤蒸汽鍋爐
燃油燃氣鍋爐
DHS角管燃氣鍋爐
生物質鍋爐
SHL生物質散裝蒸汽、熱水鍋爐
導熱油鍋爐
RYQ系列熔鹽爐
循環流化床鍋爐
SHX 循環流化床蒸汽鍋爐
循環流化床鍋爐原理
1.流化原理
當氣體或液體以一定的速度向上流過固體顆粒層時,固體顆粒層呈現出類似液體狀態的現象,稱為流態化現象。
流化速度:一般是指假設床內沒有床料時空氣通過爐膛的速度。用U0表示,單位m/s。
臨界流速是床料開始流化時的一次風速,此時一次風量為臨界流量。
2.燃燒原理
循環流化床鍋爐采用流態化的燃燒方式,即半懸浮燃燒方式。
3.脫硫原理
利用石灰石爐內燃燒中脫硫;給煤中的硫在爐膛內反應生成SO2及一些硫化物;同時一定粒度的石灰石被給入爐膛,迅速加熱煅燒,產生多孔疏松的CaO,CaO 吸收SO2并生成CaSO4,生成的CaSO4逐漸地把孔隙堵塞,并不斷地覆蓋在新鮮的CaO 表面,達到脫硫的目的。
4.傳熱原理
(1)顆粒對流換熱
(2)氣體對流換熱
(3)輻射傳熱

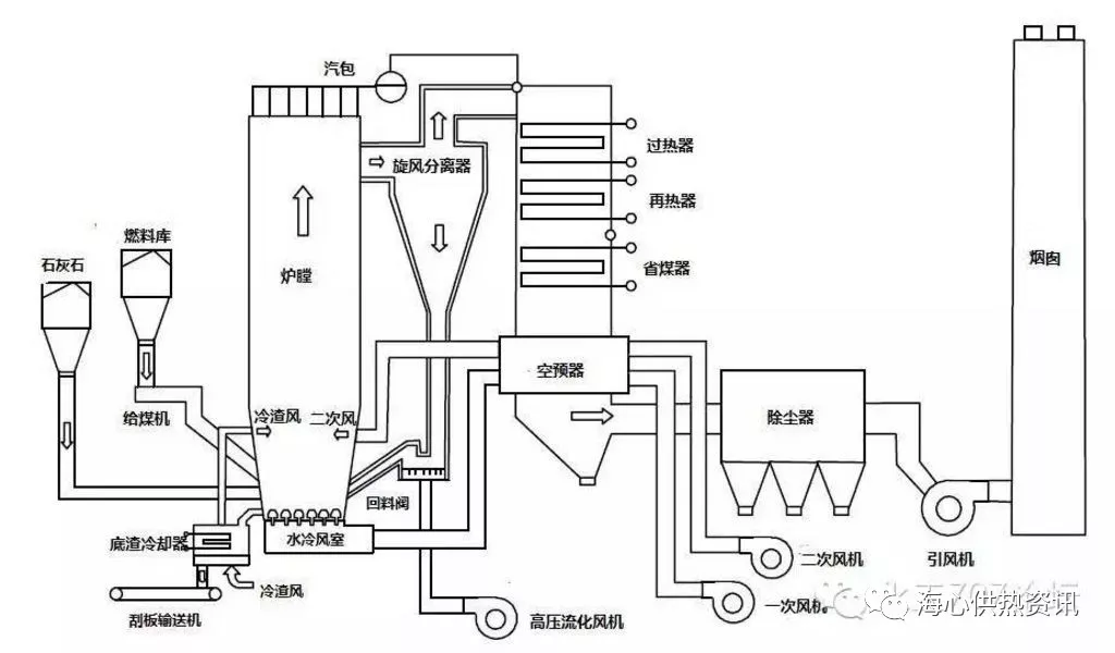
循環流化床鍋爐結構分析
循環流化床鍋爐包括鍋爐本體和鍋爐輔助設備兩部分:
1.本體部分
(1)汽水系統

它的任務是吸收燃料燃燒放出的熱量,使水蒸發并后成為規定壓力和溫度的過熱蒸汽。
主要由汽包、水冷壁、過熱器、再熱器、省煤器、聯箱等組成。
(2)燃燒系統

任務是使燃料在爐內進行良好的燃燒,放出熱量。
主要由燃燒器、分離器、回料系統、布風裝置組成。
2.輔助設備
(1)分離器、回料系統由高溫旋風分離器、回料閥以及連接兩者的立管(也叫料腿)組成。

旋風分離器是利用旋轉的含塵氣體所產生的離心力,將顆粒從氣流中分離出的一種干式氣-固分離裝置。煙氣攜帶固體顆粒進入圓筒形旋風分離器,并在分離器內形成向下的漩渦流動。
在離心力作用下,煙氣中的固體顆粒被拋向分離器筒壁,并沿壁面下滑進入連接分離器的立管中。通過回料閥進入爐膛。煙氣入煙道。

(2)回料閥位于高溫氣固分離器的下方,作用是:將旋風分離器分離下來的灰連續不斷地送回爐膛進行循環燃燒實現返料平衡;在立管中建立一定的物料高度,形成爐膛與分離器的密封,防止煙氣短路。
(3)布風裝置:由風室,花板,風帽和隔熱層組成。
了解更多技術 | 循環流化床鍋爐運行原理相關信息請撥打中正鍋爐咨詢熱線:13861509162,并獲取報價。
歡迎填寫以下表格,留下您的需求、聯系電話、設備使用地等信息,并盡可能詳細描述產品需求,我們將快速處理您提交的信息,確保您的購買咨詢得到及時、準確的回復。